Street Source is shutting down April 30th, 2026. Read the announcement

dash/carpet removal

2445 views
17 replies
9 following
S
dash/carpet removal
crazymikey's avatar
crazymikey
+1y
yeah man,just cut the carpet and then the whole thing will pull out no problem. I've pulled about 3 and had to cut them all.
J
joshbrennan
+1y
thread post photo


thread post photo
slammedyota91's avatar
slammedyota91
+1y
nice
S
sncflow
+1y
i still haven't removed the carpet yet, a lil lazy and i want to remove the dash and the cable put me off for a while. i might go to town on it this weekend. can u get the cable off from the engine bay or is it all contained inside of the dash?
M
madmazda
+1y


Thats exactly what i did....Just cut it nicely right down the center behind the Radio housing like he said, you'll never notice.
slammedyota91's avatar
slammedyota91
+1y
we have all said that lol but it didnt work for him i guess
M
madmazda
+1y


You'll have to undo it from behind the bezel... take these steps, it worked for me.

1.) Take out the plastic bezel around the speedo with your Dimmer switich on it. (4 screws)
2.) Undo the 4 Screws holding the bezel to the dash.
3.) Inch the bezel out slowly.... be careful
4.) Pop your hood, and find the speedo cable, Push it up a little bit towards the inside of the truck, Lightly though (we dont wanna brake anything)

Then Repeat Steps 3.) and 4.) until you have the bezel out enough where you can unscrew the speedo cable from the back of the bezel, and unplug the 3 harness'..

Hope this helps?
M
madmazda
+1y
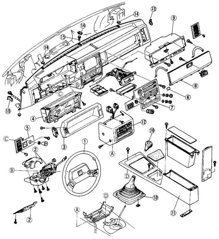
Then just follow the Diagrams on where all the bolts are to undo the Dash, if you REALLY wanna take it out (i dont see the point though, If your doing it to take out the carpet, just my opinion though)

Related Discussions in Mazda Audio