Street Source is shutting down April 30th, 2026. Read the announcement

Need pinout for the x-11 connector

3697 views
5 replies
3 following
emcquaide@yahoo.com's avatar
Need pinout for the x-11 connector
la cucararacha's avatar
la cucararacha
+1y
I'm in the middle of assembling a fuel injection conversion from a mix of mx-6 parts, and FI B2200 parts for my carbed B2200. I have done lot's of research and prep, and i have read through all of the conversion info here and on MX6.com. Many of the pics have since disappeared from those threads. I have almost everything figured out, and I have cleaned out my engine harness of all old emissions/carb computer stuff so all that is left is the wiper harness now. My current issue is I'm trying to get the pinout for the X-11 connector that is located under the dash behind the blower motor, so I can figure out what wires I need to splice/ move for my MX-6 harness to work. If anyone has that diagram I would be grateful. It's not in my factory service manual, and the picks I have found are unclear, or confusing. Thanks!
S
scotch
+1y
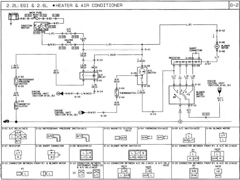
Here is a diagram for the 91 EFI systems. It doesn't have any of them listed as "X11" but you can probably figure it out from here. There are some significant differences between the carb AC system and the EFI system when it comes to wiring.


thread post photo



Edit: Not sure why the image is showing up so small. You can see it full size here:
[url=
thread post photo
:13yh9ulj]B2200 efi & B2600i AC Wiring Diagram
la cucararacha's avatar
la cucararacha
+1y
Thanks! You wouldn't happen to have that diagram for the carb truck, would you? The connector is different between the efi truck and the carb version.
orangemazdab2000's avatar
orangemazdab2000
+1y
Here's the 626/MX6/ford Probe EFI conversion thread from the master himself, Happytealmazda:

S
scotch
+1y
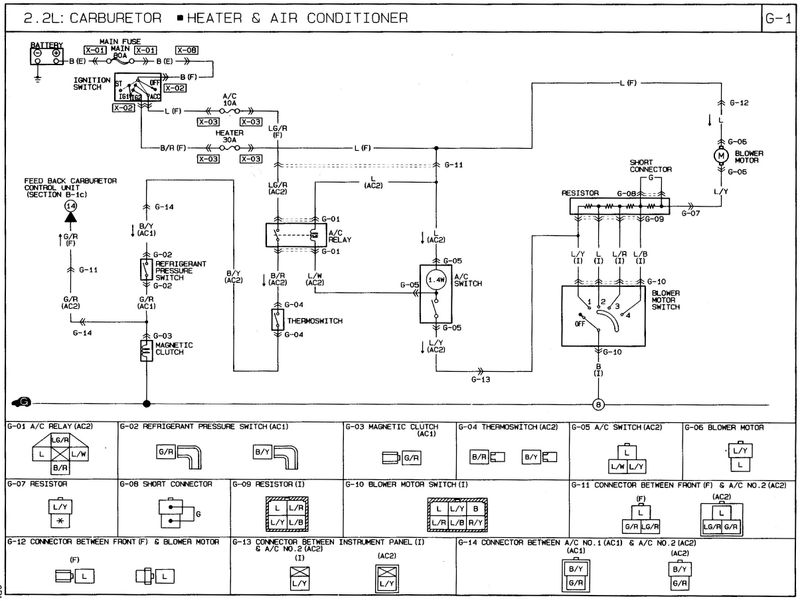
Here is a 1991 Carb'd AC Diagram:

thread post photo



Here is a link to it full size: [url=
thread post photo
:1mb679r3]B2200 Carbureted AC Wiring Diagram
la cucararacha's avatar
la cucararacha
+1y
Thanks for the help guys.

Related Discussions in Mazda Engine Swaps