Street Source is shutting down April 30th, 2026. Read the announcement

ideas on a memory wire spot in the fuse panel

3098 views
6 replies
2 following
X
ideas on a memory wire spot in the fuse panel
X
xxchromeghostxx
+1y
Where did everyone connect their memory wires to.in.the fuse panel? I have a true oe untouched radio system and plan on picking up a head unit today.I have already got the old syatem out and all my wires labeled from the radio harness.

Instead splicing below the connections i kept the plugs in amd snipped the wires from the plug into the back of the factory clarion unit. Did this so , if neeed be i can still order a wiring harness but.most likely will not have too.

But any tips hinta advice on if this wont work.is appreciated.
S
scotch
+1y
You should already have a hot memory wire in the existing harness to the radio. On a 91, it's blue with a red stripe. Might as well use that or tap it instead of running a wire from the fuse box. If you don't' see that color on your truck, let me know and I can try to look it up for your model year, although it is probably the same.

Now, on some trucks, their may be a short intermediate harness between the main dash harness and the oem radio itself. If that harness doesn't have the Blue/Red stripe on it, follow it back to the dash harness connecter to find the memory memory wire.

But, if you want to run a wire, then the "Room" fuse (for the dome & map lights) is battery powered. Just tap into it on the down stream side of the fuse.
X
xxchromeghostxx
+1y
In the diagram i found it says the re/ blue is my constant 12v red black is my acc 12 v.

On that note though i ran into an issue of that diagram having wrong color codes on my rear speakers, that part of the harness ran back near my shifter towards the rear so im assuming those where rear speaker wires. So i could be wrong on the color diagram i.found.

Mine is a 92 b2200 here are color schemes i found

Front+ left blue red
Front left- blue yellow

Front right + blue
Front right - blue white
These matched perfect

Rear left+ blue red
Rear left - blue green

Rear right+ blue white
Rear right- blue green

This is where it wasnt correct

Now here are colors for

Constant 12v blue red (note i had power from this wire even with the key in off position it sparked when touched to metal. No tester old school testing lol)

Switched 12v (acc?) Red black ( had no spark when touched to metall with key in acc position)
Illumination blue white, was on its own seperate wire.

If i could get pics i would but i cant upload from my phone sorry.

Trying add random pic see if it works.
post photo
X
xxchromeghostxx
+1y
Okay since that actually worked i will take pics for you later on so can maybe help out a little more lol
S
scotch
+1y
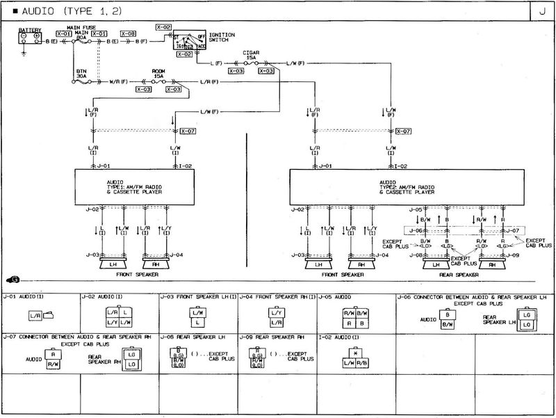
Sounds like you found your memory wire - Blue/Red.

Blue/White Should be your "Switched/Accessory."

Red/Black should be your illumination wire (it's not shown on the diagram below, but it did show up in a 93 diagram.)

Here is a diagram from a 91. There shouldn't be any differences on your 92.

thread post photo



Not sure why it's coming out so small. You can see it full size :
X
xxchromeghostxx
+1y
Scotch thank you, the diagram i had used had me hooking the illumination up as the ignitions acc wiring, you where correct as the white blue was acc from ignition.

So first id had it all together with parking lights constantly on omg noooo lol.

But its in perfect an works awesome the help greatly appreciated scotch.
S
scotch
+1y
You're welcome. Glad to hear you got it sorted it out.

Related Discussions in Mazda Audio