Street Source is shutting down April 30th, 2026. Read the announcement

dash removal.

3195 views
17 replies
7 following
A
dash removal.
B
b22low
+1y
how in the fuk do you get the dash out if take everything off the dash i can see and when i pull ate her, she doesnt seem loose at all.
framedragger2's avatar
framedragger2
+1y
theres a few bolts behind the heater controlls, sum under and at the top and side of the dash, make sure you find em all, oh yeah and make sure you pull the glove box to get the ones behind there
1dayiwill's avatar
1dayiwill
+1y
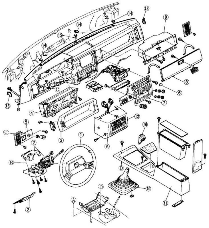
Mazdatruckin.com has dash diagrams
burnoutboy's avatar
burnoutboy
+1y
its a pain in the rear
elbine69's avatar
elbine69
+1y
Its a pain. I want to do it again haha. The ones up by the window were the hardest for me to get out, couldnt find anything that would really fit down in there to loosen them.
B
b22low
+1y
im taken it off my parts truck so i can sand and smooth it out and paint it for my actually truck, but i think ive gotten all of them the ones under the winscreen, behind the gauges, behind the glove box, by the door, under the hood latch, behind the heater control, fuck ive taken every bolt and screw off the dash
do you have to wrench on it or shud it come out quite smoothly ????
framedragger2's avatar
framedragger2
+1y
, found you a link on this, it should help man
B
b22low
+1y
thanks ill look at it tommorow
framedragger2's avatar
framedragger2
+1y
no prob man
kaoss's avatar
kaoss
+1y
thread post photo


thread post photo



don't break your pillar cover when you pull them off.

Related Discussions in Mazda Audio