Street Source is shutting down April 30th, 2026. Read the announcement

dash disassembly

2207 views
11 replies
9 following
T
dash disassembly
R
racin36er
+1y
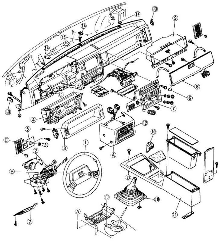
i gotta change the dimmer switch for the dash lights, but i cant figure out how to take the dash apart to do it, and this haynes manual just confuses me. anyone know a quick and simple way to take it apart at the cluster so i can change this damn switch?? i'm tired of the dash lights randomly going out at night...
G
greggoryh
+1y
Timmy..... There's 4 screws holding in the bezel that has the dimmer in it. Two inside the cluster viewing area (on the top) and two under the bezel, by the steering column. They should be phillips, and it should take you like... 2 min to take it off

G
R
racin36er
+1y
hrm. looks alot more complicated than that. thanks g. just gotta get me a switch now... hmm...... bucks here i come!
H
hb
+1y
how much are them dimmer switches i need one for my new truck some one smashed it
G
greggoryh
+1y
I'll take a look when I go the the junk yard. racin36er and I live in the same town, and frequent the same scrap yards lol. I'll let you know
J
joshbrennan
+1y
These might help.

thread post photo


thread post photo
lofosho86's avatar
lofosho86
+1y
i got one of those dimmer switches if you still need it
P
pennywise
+1y
bucks is pretty much useless now. everytime i go there the mazdas are only good enogh for scrap metal.
crazymikey's avatar
crazymikey
+1y
what the hell,is T-Bay getting over run with Mazdas all of a sudden or something?

ANywhoo,back on topic,the entire dash itself is just as simple to remove.
R
racin36er
+1y
yeh i figured it out. it looked more complicated than it was, so i didnt even look for screws on the cluster... its the same as my civic is.


and man, mazdas have been around this city for years -- most of em arent members i suppose. time to represent... for the 13 days i have left here!! *buys decal*

Related Discussions in Mazda Audio