Street Source is shutting down April 30th, 2026. Read the announcement

keeps blowing fuse wtf

1397 views
7 replies
3 following
B
keeps blowing fuse wtf
T
thafox
+1y
Ok I searched and couldn't find my same scenario, all my lights work turn signals and come on fine including when I drive at night but my brake lights dont illuminate when I touch the brakes day or night i had a 30amp fuse I put in there to get by but it freakin damn near melted it checked connections at lights and everything seems fine, has anyone else had this problem?
Cusser's avatar
Cusser
+1y
You have a short in the brake light circuit. NEVER (notice the capitals) put a larger fuse in, that will NOT solve the problem.

I'd disconnect the tail light harnesses One at a time and see if the regular brake light fuse still blows. Because I'm suspecting bad brake light sockets, shorting out that circuit. Even if brake lights and tail light share a single dual-filament bulb, the circuits are different.
T
thafox
+1y
30 amp fuse was temp while I got home but I did unplug everything in the back including license plate lights and its still blowing the 15amp fuse, I pulled a bit at the harness going from taillights to cab to make sure wasnt pinched anywhere an nothing either
Cusser's avatar
Cusser
+1y
So now check at the brake light switch under the dashboard. In other words, work your way backwards until the fuse doesn't blow.
S
scotch
+1y
Does it blow immediately, or only when you press the brake?

If only blows when you press the brake, then in addition to checking the sockets as Cusser has mentioned, you need to start checking the harness that feeds the rear harness. It goes under the driver side door threshold and then wraps around the back side of the cab before it goes though the right rear corner of the cab. You can unplug it there and isolate cab portion of the harness from the rear harness. If you have regular cab, it's not as hard to get to and that's what I would do to isolate the wiring. If you have a cab plus, then it's a pain to get to and I would check other things first.

With that unplugged, if it sill blows when you press the brake, then you know you have a problem in the cab. If not, then you know it's on the rear harness somewhere...in/under the bed.

If it blows immediately (without stepping on the brake) and with the brake switch unplugged, then I would inspect the wiring between the fuse and the brake switch. You may have some shorted some wires right behind the fuse box, especially after plugging in a 30 amp fuse.

Also, if if blows immediately (with the brake switch unplugged), then check out the wiring going to the horn. The horn is also on the "Stop" light fuse/circuit. I would unplug the horn relay and see if that makes a difference. Unlikely that is where the problem is, but it's possible.

I would definitely try to get a look at the back of the fuse box. If it "nearly melted" the plastic fuse, then it has probably taken a toll on the thin insulation on your wiring. I've seen many truck with melted insulation behind the fuse box, like this one...

thread post photo
T
thafox
+1y
Thanks scotch I was hoping it would be simpler than door #3 (burnt wire behind fuse box) just checked it literally 2mins ago goes pretty high up there so im going to assume the whole damn thing is burnt
T
thafox
+1y
Turns out horn plug grounded out on the body dont know how but it did causing wire for tailights going to fuse box to burn up from box to behind cluster, thanks for the info guys its much appreciated
S
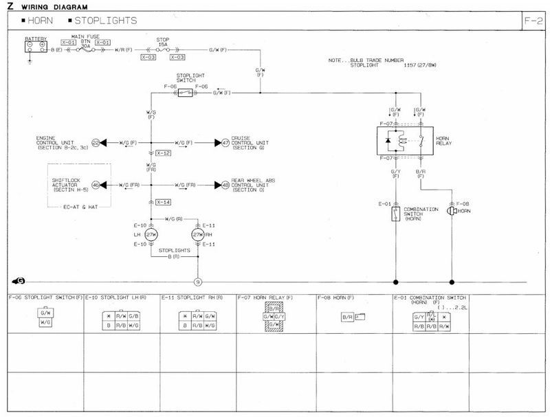
scotch
+1y
Yikes. Sorry to hear that.

Well, your wiring downstream of the brake switch should be OK at least. Here is a wiring diagram from a 91. The colors could be different for an earlier model, but probably not.

thread post photo

Related Discussions in Mazda Exterior