Street Source is shutting down April 30th, 2026. Read the announcement

rebuilding 88 b2600 carb need fixed today or scrapping truck

8129 views
41 replies
11 following
mekmek23@yahoo.com's avatar
rebuilding 88 b2600 carb need fixed today or scrapping truck
maztang (ryan)'s avatar
maztang (ryan)
+1y
i had to buy the exhaust gaskets from a mazda dealer. you can pull off the precat, the one right off the manifold and take a 12" punch and knock it hollow. that is what i did.
phatkix's avatar
phatkix
+1y
i'd try to buy a weber if i were you, i have 4 carbs for my 2600 here and they all suck ass. it's almost impossible to work with these stupid things...
sexybluelady's avatar
sexybluelady
+1y
not buying a Weber, I rather spend the money on a reinforced 300mm output shaft for my 3/s or a new adjustable cam gears for my 3/s. unless you would like to sell me one of your old 2.6 carbs and I'll rebuild that one.

Not only not into buying a Weber, but the fact that I have been reading allot of post about how people are still having the same problems after putting a Weber on. Plus I still have emissions testing here in MA. I can get away with gutting the cats and putting another cat on before the muffler but that's about it.
nytrdr24's avatar
nytrdr24
+1y
sorry about not seeing this any sooner, and welcome to the bscene!

So I get we can rule out the weber swap lol, it would be kinda hard to
install & still keep the emmisions stuff...

Ill have to check when I get home from work, but I know there is an idle control valve on the 22k & 26k carbs, that may very well be your problem, but as I said, I'll have to check my chiltons when I get home so that I might point you in the right direction, heck I might even be able to scan ya a copy of the exploded carb diagram (at least i think there is one in the chiltons) & I won't even ask for a pic in extchange j/k lol.

as far as one of your other initial q's, there is a guy either on cardomain or ssm that was custom making headers for the b26k's, I know I've seen him sellin some on e-bay every-now & then, you could see if these guys in austrailia would ship ya one

might also want to check with carl at he might be able to get or make ya a header for it.

option on the cat is either to gut it, or have a short piece made to couple inbetween the mani & the second cat, probably wouldn't cost too much to have one made, i see your in massachusetts, if you can't find someone close to make ya a coupler pipe, check with , I think the guys name is phil, they are located up in your neck-o-the-woods, & do make custom stuff from time to time, & he might be able to help ya out.

I know it can be agrivating sinkin a bunch of $$ into it and it keep giving ya trouble, but don't give up on the ole winter beater just yet, they (when running properly) make a decent truck, I had a bud back in the day that had one like yours & we put it thru some of the roughest terain out there & like an old john deere tractor it just kept pluggin along!

if ya need n-e thing else don't hesitate to ask.
nytrdr24's avatar
nytrdr24
+1y
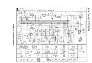
well as promised, here are a couple scans out of my manual, no exploded diagram of the 26k carb, but none the less, hope this might help ya out.
thread post photo

thread post photo


if ya can't resize them, pm me your e-mail & I'll send them to ya direct.
sexybluelady's avatar
sexybluelady
+1y
looks like the choke is sticking when it stops, the truck also has a pretty big exhaust leak that I have to take care of.
nytrdr24's avatar
nytrdr24
+1y
try a little carb cleaner & working the linkage back & forth, that should help out your choke issue......

as far as your exhaust leak, I think your sig "Argh here we go again.....pass the duck tape!!" has ya covered, just make sure
you use the aluminumized duck tape j/k lol!
sexybluelady's avatar
sexybluelady
+1y
I did that the first day I brought the thing home. used a half a bottle of carb cleaner then sea formed out the motor, then though I had a blown head gasket because the oil was milky so I used some blue devil on it. Just to find out later that the oil dip stick has a crack in it so a little water is getting into the engine.

haha that's a sig that you see on 3si.org (my second home) you always see forms with members talking about how either they have join the spun bearing club or or broke there TC while doing a launch at 3500rpm at something like 720awhp and not being to cheap to buy a TC bracket. or blowing something else up.
sexybluelady's avatar
sexybluelady
+1y
oh also is there a way to adjuster the choke, so far I know the lower left hand flat head screw is the idle air mix, the upper top on the right that is also flat head screw is the fuel. Now the three that are Philips heads together, I'm guessing the one buried on the lower right is for the throttle body and the other two on the left??
H
hocbj23
+1y
Unless ur secondary is electric,one should be secondary air/fuel or maybe one is air,one fuel to keep the truck from bogging and flooding on WOT.???BJ

Related Discussions in Mazda Engine General

kia swap
B
last post by Brody +1y
51