Street Source is shutting down April 30th, 2026. Read the announcement

EVAP issues on a 02 bagged ram

2271 views
12 replies
4 following
E
EVAP issues on a 02 bagged ram
K
KRZYTRN02
+1y

I  replaced it two weeks ago and i drive it daily from northern va into dc which is bout 45 miles one way.  only thing i havent touched is the senor next to the canister. went to the dealer today to see if the had a print out of the whole evap system . the guy there just blew me off  and told me  to bring it into the service dept and let them take care of it . soo im still at square one . only got 2 days left and the wife thinks its already passed emissions............... im screwed!!!!! 
Jance Customs's avatar
Jance Customs
+1y

Check your hoses for cracks and maybe check the vaccum lines under the hood? I relocated the EVAP under the hood to under the wiper cowl and sometimes the hoses just get unplugged.
F
flat4vw4life
+1y
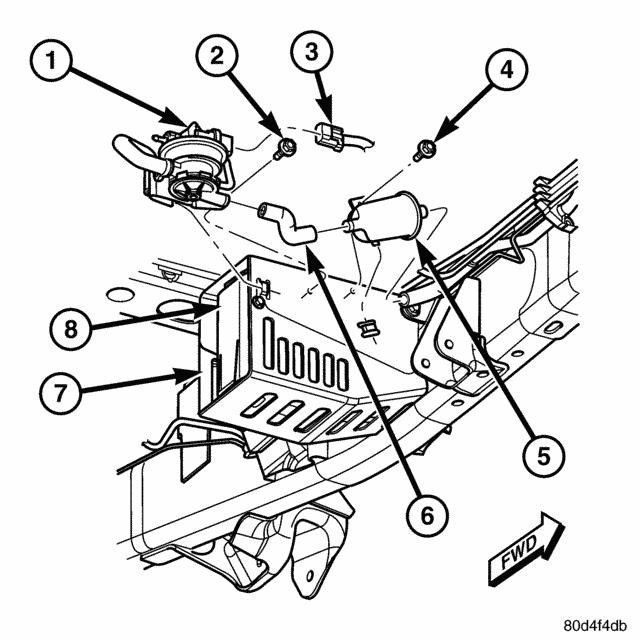
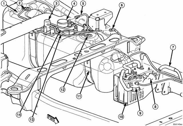
c 1 - LDP2 - LDP MOUNTING BOLT3 - ELEC. CONNEC.4 - FILTER MOUNTING BOLT 5 - LDP FILTER6 - CONNECTING HOSE7 - EVAP CANISTER MOUNTING BRACKET8 - EVAP CANISTERS (2) ok in the below pic #3 is the purge solenoid check it make sure its mounted rite and check the vacum suply look at all the lines to the purge solenoid and from purge solenoid to canister and canister to tank look for cracks or pinched or anything that dont look rite also make sure the vacum conecters that are 90degree or angled are not pushed together to far blocking the flow 1 - MOUNTING BRACKET2 - VACUUM HARNESS3 - DUTY CYCLE SOLENOID4 - TEST PORT CAP AND TEST PORT 1 - FUEL TANK8 - LDP FRESH AIR FILTER2 - CHECK VALVE9 - LEAK DETECTION PUMP 3 - LIQUID EXPANSION CHAMBER10 - EVAP CANISTERS (2)4 - FUEL FILTER / FUEL PRESSURE REGULATOR11 - FUEL TANK STRAPS (2)5 - QUICK-CONNECT FITTING AND FUEL LINE (TO ENGINE)12 - CHECK VALVE6 - EVAP LINE CONNECTION13 - FUEL PUMP MODULE LOCK RING7 - LEAK DETECTION PUMP FRESH AIR LINE14 - FUEL PUMP MODULEi cant find a vacum line diagram
post photo post photo post photo

Related Discussions in Dodge Trucks