dual side draft carbs

4388 views
16 replies
9 following
M
dual side draft carbs
M
mazdawg3888
+1y
i would like to know where to buy dual side draft carbs.
M
madlowmazda
+1y
I would too
dssur's avatar
dssur
+1y
the design of that manifold and the firing order (1342) will favor the outside cylinders, the inside cylinders will run lean.

Make your own manifold, someone on here said they were making one (or planning on it) but I wouldnt hold your breath, either for it to become available or for it to be inexpensive.
dragginbagged's avatar
dragginbagged
+1y
Was that directed towards me?
billybob's avatar
billybob
+1y
hey russ , can you go more into detail as to why ,,, the guy that built it has made many for toys and nissans that are the same firing order and they work plenty good , this is the first for a mazda he built , he built one just like it for another guy and said it works just fine on that mazda ,,,, im just curious as to why it would run lean ,
dssur's avatar
dssur
+1y
Originally posted by billybob



hey russ , can you go more into detail as to why ,,, the guy that built it has made many for toys and nissans that are the same firing order and they work plenty good , this is the first for a mazda he built , he built one just like it for another guy and said it works just fine on that mazda ,,,, im just curious as to why it would run lean ,

it has to do with the firing order, and the fact that you are using a dual barrel carb. The side draft carb was designed to operate with one barrel for one cylinder, not like a progressive carb where one barrel is made to supply fuel to all four cylinders.

Since the firing order is 1342 (maybe it would be easier to see it as 2134), each venturi is essentially feeding two consecutive cylinders. So you will have two draws on the same venturi, the second one will be lean, then the same for the ither venturi. There is a period when one venturi supplies two pulses to two cylinders that the other venturi supplies very little fuel(from shared vacuum in the intake)and is resupplied, then two draws on THAT venturi, the second being lean.

You can richen the mix, but then its always rich at idle and at part throttle and just right at full throttle.

You can make a single sidedraft work with a 4 cylinder with a 1342 firing order, but you have to mate the 2-3 cylinders to the same venturi, and the 1-4 cylinders to the same venturi.

And logically the lean cylinders would be the outside ones, I was thinking of the MGB I had that had a single sidedraft manifold where the firing order is 1243. Still has the same problem, only its the center cylinders that run lean. Lynx makes a single sidedraft manifold just for this reson, I never got one I just went back to the twin SU's.

dssur's avatar
dssur
+1y
here is a picture of the lynx manifold for 1342 and 1243 firing orders. see how the 2 and 3 are joined, and the 1 and 4 are joined?

billybob's avatar
billybob
+1y
did you consider that it is open plenum ? not one per 2 cylinders
dssur's avatar
dssur
+1y
Originally posted by billybob



did you consider that it is open plenum ? not one per 2 cylinders

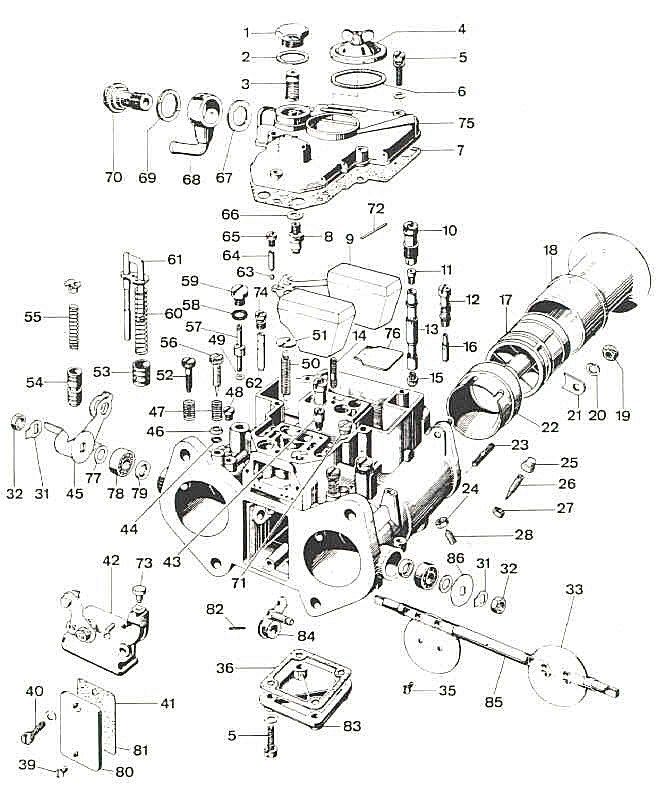
if that is the case, balancing under load is even worse. Side drafts werent made to supply fuel constantly like a DGV or DGS, they have very small fuel bowls. There are also TWO floats and bowls, made to be kept seperate, See the picture below:

The floats are #9. You can see the bowls are fit like a jigaw puzzle for the purpose of keeping them seperate. They would have joined them if they meant for them to stay together. If you are just rejoining the air flow again after the plenum, there will be very little balance to the fuel delivery as differing intake pulses will pull from both cyclinders. Additionally, sidedrafts are made to be larger carbs because there is only one barrel supplying each cylinder. So a 40DCOE with dual 40mm barrels is a proper replacement for a much smaller (30-32mm primary) progressive carb. By rejoining the airflow and using it as a syncronous carb, you should also reduce the carb size. There is little, if any, advantage to a side draft carb over a syncronous downdraft in that application, except maybe hood height.

But this will be another one of those ad infinitum arguments that will be defended with "never had a problem" and "worked for me", so I'll just have to agree to disaagree.

And I really like the way he did the coolant tubes, very very clean. I did mine externally with rubber line and hated it, always wished I had done it like that. You should have him make a low profile DGV or DGS manifold, or even a true duals setup, they would sell like hotcakes. Its very nice work, and its only limited by the design of the carb.

post photo

Related Discussions in Mazda Trucks