Street Source is shutting down April 30th, 2026. Read the announcement

Need some help

3674 views
22 replies
9 following
O
Need some help
O
ocb_dave_ocb
+1y
Damn man with that adjustable you could put all of the brake up front and do a BAD ASS BURN OUT
twisted minis's avatar
twisted minis
+1y


Yup.
kdcgrohl's avatar
kdcgrohl
+1y
burn outs are gay.
O
oldsklminitrk
+1y
LOL.....just get one off a 85 that goes under the master cylinder and be done with it....factory part easy swap...
U
uselesstoy
+1y


Amen brother
O
ocb_dave_ocb
+1y
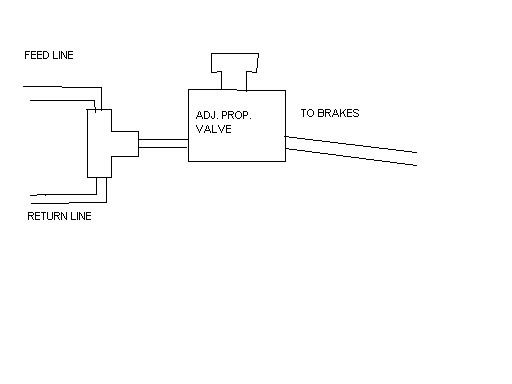
OK So i got my Adj. Prop. Valve and I have pondered on this for a bit.. people are just using T's to run there rear brakes and that is putting to much pressure back there and that is what causes them to lock up... So Could I just put the T there just like everyone else.. EXCEPT instead of running my brake off the T. I install my PV first.. Then I can still increase and decrease as desired.. Correct? I already got the APV and I have a T and a 6" hard line. and my tubing bender.. Here is what it should look like..
thread post photo
twisted minis's avatar
twisted minis
+1y
Yes, you can do that.
O
ocb_dave_ocb
+1y



Nice that is what is gonna happen then... Thanks Seth
F
fonrattlecan
+1y
Hey man can you post a good picture of what this looks like. We are pretty far into bagging my truck right now and i am looking for some ideas for that thing and how to do it. So if ya dont mind i would like to see yours.
vegasyota94's avatar
vegasyota94
+1y
im still going with the T
lol
my bitch is gonna be driving like once a month if that