Street Source is shutting down April 30th, 2026. Read the announcement

Rear Brake proportioning valve

3853 views
16 replies
6 following
H
Rear Brake proportioning valve
H
hotlavaxb2089
+1y
What is the fix on the 84-88 brake valve thing that hooks tho the rear end? I have two lines going in and one coming out to the drums.
draggin87yota's avatar
draggin87yota
+1y
ask seth wat he did,i think u get the one off an 80-83 or sumthin not sure,jus ask seth
twisted minis's avatar
twisted minis
+1y
You can use a stock one off of a 79-83 and some early 84s. Or get an adjustable proportioning valve. Cheapest place to get one is Speedway Motors. Buy their version not the Wilwood because its $20 more. Then when you get it peel the sticker off and its a Wilwood.
O
ocb_dave_ocb
+1y
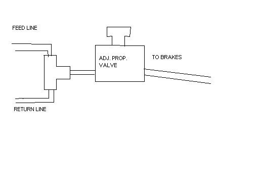
I got my perportioning valve from Jegs.

Here is how i did mine I had to buy a pipe cutter and flare nut tool. Toyota's have a 10mm flare and the one from jegs or summit is 3/16th so you have to change them over

thread post photo


thread post photo
twisted minis's avatar
twisted minis
+1y
They make adapters to do that same thing. Hella cheaper than a flare tool. Like $2 for both adapters to make it fit to the stock line.
H
hotlavaxb2089
+1y
awesome thanks i will get one and do that
vegasyota94's avatar
vegasyota94
+1y
how much for the jegs one? and do u have a link?
truck action's avatar
truck action
+1y
Hey Seth ,do you have the part numbers for the adapters & where you got them?
twisted minis's avatar
twisted minis
+1y
I haven't gotten them yet. But I'm going to the brake shop tomorrow for it. Its just a 1/8" NPT 18 fitting with a metric brake fitting on the other end.
O
ocb_dave_ocb
+1y


I looked and looked and could not find any of those.. They told me they didnt make them anymore

Related Discussions in General Discussion