Street Source is shutting down April 30th, 2026. Read the announcement

brakes leaking

1075 views
6 replies
2 following
M
brakes leaking
T
tubs26
+1y
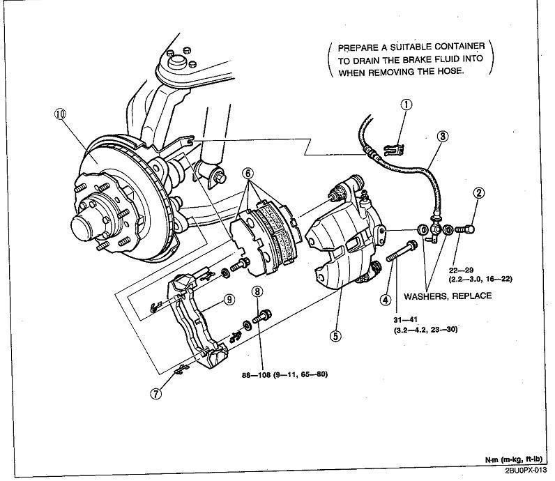
so my front driver side brake caliper is leaking where the brake line bolts into the caliper. the little finger that plugs into the caliper looks like it might have jammed into the caliper making the hole bigger. is it the caliper i need to replace or the brake hose. is there a crush washer or something that needs replacing?
Cusser's avatar
Cusser
+1y
There's two crush washers, one on each side of the "banjo" fitting, for the brake line in to the caliper. Then there's also the conventional-type bleed screw.

When my calipers leaked (1988 B2200), it was from an inner seal. One side I got a rebuild kit, the other side I just got a rebuilt one from O'Reilly.
T
tubs26
+1y
ok so your saying it goes bolt, washer, brake hose, washer, caliper? so should i buy a new caliper? or the crush washers/brake hose assembly. its def leaking out of the back side of the caliper. i post pics tomorrow when its light out.
Cusser's avatar
Cusser
+1y


To repair, you need to first clean off everything and confirm exactly where the leak is. Is this truck new-to-you? If not, and this just happened, likely has the washers all correct. If leaking there, a tad more tightening may help, these are crush/seal washers.
thread post photo


If the bleeder screw is leaking, "maybe" a new one or even a smaller tad of tightening may help.

But if it's the caliper that is leaking, probably best to just buy a rebuilt caliper; different ones for left and right sides. O'Reilly and Autozone sell the same one, lifetime warranty, have one on my truck.
T
tubs26
+1y
yeah i def think its the crush washer, its without a doubt coming out of that area. how do i get new ones? back to the mazda dealership?
Cusser's avatar
Cusser
+1y


I think they are just copper metric crush washers, like on some oil drain plugs. I doubt that I have any spare bolts lying around for those to check the size but my "guess" would be 8mm or 10mm inner diameter. So you might need to contact Mazda, take a washer off and measure/take to store, or wait until someone here (or on MazdaTrucking.com) posts the i.d. required.

I've seen such metric crush washers at "chain" auto parts stores, in drawers at CarQuest and NAPA, even in Ace Hardware little drawers.
T
tubs26
+1y


ok i need help. i went and got the crush washers, they are almost exactly the same size as the oem ones, i put them on, tighten the shit out of it and it is still leaking...

Related Discussions in Mazda Engine General

kia swap
B
last post by Brody +1y
51