Street Source is shutting down April 30th, 2026. Read the announcement

92 GM autotrasmission wiring

729 views
2 replies
3 following
walksonclouds@hotmail.com's avatar
92 GM autotrasmission wiring
geterdun's avatar
geterdun
+1y
I am trying to find the wiring diagram for a 92 Astro van transmission in my 90 2600i, with no computer.
I know the electronic speedometer will be a whole other problem.

Ric
J
jc50942
+1y
if there is no computer...you shouldnt need any wiring...cept for the reverse light maybe?
sincitylocal's avatar
sincitylocal
+1y
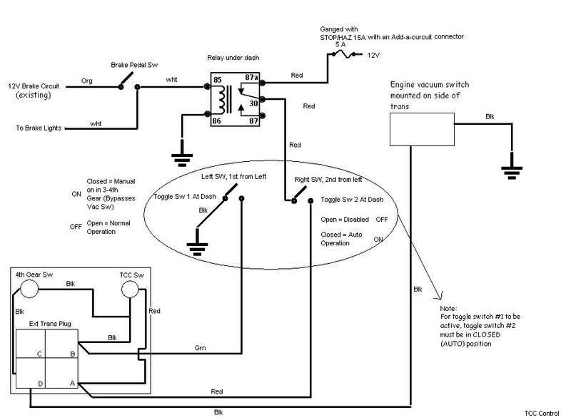
Yeah he does... if he wants the torque convertor lockup function to work.
Reverse lights and neutral safety are NOT controlled inside this transmission.
Ignore the vacuum switch option and just run that circuit to ground.
thread post photo

Related Discussions in Mazda Engine General

kia swap
B
last post by Brody +1y
51