Street Source is shutting down April 30th, 2026. Read the announcement

meter fuse keeps blowing

6684 views
7 replies
3 following
M
meter fuse keeps blowing
M
mazdafvr
+1y
my meter fuse keeps blowing out and when it does it disables all gauges other than speedo, and also takes out my signal lights. idk about brake lights. I know theres gotta be a short somewhere. anyone ever have this issue?
Cusser's avatar
Cusser
+1y
Look on the wiring diagram and list all the circuits that feed off that fuse (and maybe someone wired a stereo or gauge to this too).

Then disconnect all and see if fuse blows, most likely won't. Then start plugging in one at a time, to see what causes the fuse to blow.

Question: did you do ANYTHING to the truck in the last few weeks just before this happened?

Also tell us what year and which model truck.
M
mazdafvr
+1y
its a 90 b2200 and I haven't messed with any wiring lately. its never done this until yesterday it did it twice. and it doesn't blow till I turn one of my signals on. im thinkin either its in the signal switch or theres a bear wire under the bed somewhere grounding out. cause the second time it did it yesterday, it was immediately after I turned on my sinal.
M
mazdafvr
+1y
oh and so far I know that all my gauges run off of it and then my signals. so I think the circuit is specifically for the gauge cluster. and when power don't run through the cluster it don't run to the signals either. on the other hand my damn hazards work.
Cusser's avatar
Cusser
+1y


That's a very important clue. Left signal, right signal, or either one and doesn't matter?
M
mazdafvr
+1y
I wanna say it doesn't matter witch one but ill have to study it more, I know it did it when I hit the left turn signal yesterday.
S
scotch
+1y
Since the hazards are working, and based on what you've said so far, it's sounding like the turn signal switch in the combination switch on the column as that is where the "meter" power is tied into the turn signal wiring. Seems hard to imagine that it could be shorting inside, but who knows.

When you turn the hazards on, are all four lights flashing?
(not just not blowing the fuse, but walking around the truck to see if all four lights are on.)

Do you have 10 amp fuses in both the "meter" slot and the "hazard" slot of the fuse box?

I don't think it's going to be in the wiring down stream since it doesn't blow when the hazards are on.

Shouldn't be the flasher itself since the power goes in an out on the same wires regardless of whether using turn signal or hazard.

You might look up ABE's "combination switch exposed" thread and take it apart and clean it. Even if it's not the problem, it's a good idea to clean it up as it will mostly like cause you problems at some point in the future. The wiper switch can be cleaned up just like the park/headlight/turn/hazard switch can be.

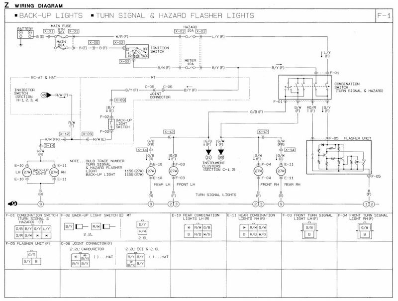
Here is the wiring diagram for a 91. There shouldn't be any differences.
(right click and then "Open in New Tab / Window" to view it full size.

thread post photo
M
mazdafvr
+1y
they have 10 amp fuses, hazards all work, I didn't leave them on but for a second to see if they did, but it took awhile with my signals b4 they blew the fuse, ill see if the hazards blow a fuse later iif not then ill go from there.

Related Discussions in Mazda Engine General

kia swap
B
last post by Brody +1y
51