Street Source is shutting down April 30th, 2026. Read the announcement

93 B2600i ex-cab 4x4 A/C intermittent operation

3682 views
12 replies
2 following
R
93 B2600i ex-cab 4x4 A/C intermittent operation
R
riksolo@yahoo.com
+1y
First let me say I LOVE 86-93 mazda pickups this is my 9th and probably last one ( getting hard to find as used vehicle)
my a/c is fully charged and when compressor is operating is very cold. but from time to time the compressor will cease to cycle sometimes I turn the fan control off and on and can get it to start cycling again. the light on the a/c button has never worked and even when the a/c is working it still does not work I have replaced the relay next to the battery but am kinda stumped on solving the intermittent problem. Anyone have any ideas?
Cusser's avatar
Cusser
+1y
If is your E-mail address, I'm mailing a copy of the AC wiring diagram to you.

You need to establish - when the compressor is not engaged, but "should be" - if you are getting voltage to the AC compressor clutch, use a test light or DC voltmeter for this. If you do have voltage, then the AC clutch is slipping, could be anything from the bolt in the center just being loose (really, happened to me, I was ready to swap out the AC clutch) or defective or some oil in there causing slippage (also happened to me, I sprayed in brake cleaner, but not on the AC clutch bearings).

If you are not getting voltage there, you need to work through the system with the test light or voltmeter,to find out where the voltage is being interrupted. It goes through the push in switch, AC relay, de-icer switch, blower resistor, pressure switch on the receiver-drier, so lots to check.
D
doctorweber
+1y
Cusser, could you please email me the a/c wiring diagram also? I'm trying to get the factory a/c in my 93 going again, but have no knowledge of when it last worked or what may have happened along the way. I did buy a can of 134 for it and the fitting on the can worked fine, thus (oh, there's THAT word) -assuming it's a modern 134 system. If the can with the gauge on it shows that I added enough gas to get the needle into the green area, shouldn't that be enough to get the clutch to engage? Also I know I still owe you a steak dinner for your direction on my ECM repair.
Cusser's avatar
Cusser
+1y


I'm away from home today, will try to forward that to you though. Adding R134a should provide enough pressure to activate if all else is OK. Remember - if someone converted this to R134a, then they had an issue with it, and unfortunately you have to find and fix leak and whatever else is bad.
S
scotch
+1y



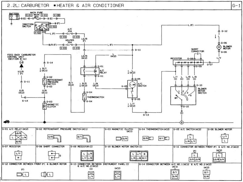
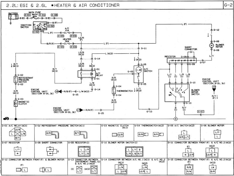
Is your truck carbureted, or fuel injected (including 2.2 efi)? The wiring is a little different depending on your induction system. Below is the diagram for each - so make sure you reference the appropriate one.

Following on what cusser said, if you're "in the green" then you should have enough pressure to close the low pressure switch. You can confirm that by checking for continuity across the switch (located under or on the receiver drier behind passenger headlight), or by checking if you have voltage even getting to the switch, in addition to getting through the switch.

It sounds like you have already charged it? If so, any chance the compressor comes on at fan speed 1?

If you are getting voltage to the compressor, then you have a clutch/coil problem. If not, then you might try turning it by hand to see if it's frozen up.
If it's not, then you can try jumping 12v to the compressor to see what the A/C system does. Hopefully it works and you just need to find a bad switch or wire upstream.

AC Relay - On carb trucks, the relay is on top of the evap housing. On the B2600i, it's on the inner fender near the fuse block and battery. On the 2.2 EFI, I think it's on the fender also, but am not certain - could be on the evaporator as well.

Thermoswitch (Defrost) - it's located on the front side of the evaporator housing. Probably the least likey to be the culprit.

The pushbutton switch can be accessed by pulling glove box so you can probe the connecters at the end of the switch pigtail to see if you are getting power through the switch. The do fail... and often times are intermittent.

Last, make sure the "AC" fuse is good so that the relay is being supplied power.
The relay is "Controlled" with power from the "Heater" fuse, but the signal passing through to the compressor is fed by the AC fuse... as you will see in the diagrams below.

Hope this all helps!


thread post photo




thread post photo
D
doctorweber
+1y
Cusser and Scotch, I neglected to tell you one -what I thought was- minor detail when I started this quest. The blower did not work in 1 or 2 speed. After looking at the diagrams, I started with the clutch relay because I had 12V on both sides of the coil and could not make it toggle with a 9V battery on the workbench either. After replacing it I realized that there was no voltage drop across the coil either when back in the truck- i.e. no current flow. Looking a little more, I decided that if the blower resistors were burned open, this would also not allow the bottom of the coil to find ground potential. One resistor block & relay later, I have A/C! Fresh & sweet at 231,985mi.
Gentlemen, my sincerest thanks! ...and I still owe Cusser a steak.
Cusser's avatar
Cusser
+1y


I'm ready !!! And with a Kiltlifter Scottish ale, draft preferred !!!
S
scotch
+1y

Be on the lookout for the pushbutton switch to wear out. Sometimes turning off and on will make it work, other times it won't. It looks like the contact for the bulb or the bulb itself has already worn out. With 230K, it probably won't be too long before the other contact wear out.
R
riksolo@yahoo.com
+1y
OK, Finally! after living with this problem for over ten years. I got it figured out today!
The a/c pushbutton has intermittent operation sometimes it has continuity when cycled sometimes it does not very hard for me to find this out everytime I'd get a chance to work on it, it would start working making it impossible to diagnose. But today the stars aligned for me and I nailed it. Now I just need to find a new one. I called dealer and every wrecking yard from miami to sacramento and nothing anyone have one? If not the jumper wire will be fine I guess.
Cusser's avatar
Cusser
+1y
Doctorweber and RikSolo: see these how-to's; I wrote, may be of good information. First is blower resistor and blower motor check out, 2nd is AC push-in switch. I refurbished 5 of these AC push-in switches and sold them to Dan Atkins who sells used and NEW parts (dan@atkinsrotary.com) if you can't fix yours.

http://www.mazdatrucking.com/forum/showthread.php/12985-Blower-motor-and-blower-resistor-check-out

http://www.mazdatrucking.com/forum/showthread.php/14677-Repairing-AC-Push-in-Dashboard-Switch

Related Discussions in Mazda Engine General

kia swap
B
last post by Brody +1y
51