Street Source is shutting down April 30th, 2026. Read the announcement

1990 B2200 Ground Up

55913 views
238 replies
22 following
vsawmike@gmail.com's avatar
1990 B2200 Ground Up
vsawmike's avatar
vsawmike
+1y
I'd like to have zero or 1 degree negative at ride height and not change much until it gets close to slammed. I need a ride height of about 4" off the ground.

I have to decide on front wheel size before I proceed at well. The back wheels will be larger than the front. So if I go with a 20 in the front I can do a 22 in the rear. Just enough difference to get the street rod look. I'm going to run wheels in the style of the Intro Twisted Vista or something similar.

I'm not one of those guys who drives a truck with wheels so big that you have to raise it up to turn. Mine will make turns laid out. If I do not lengthen the arms the uppers on a Mazda are so short that camber will change quickly when you get close to slammed.
vsawmike's avatar
vsawmike
+1y
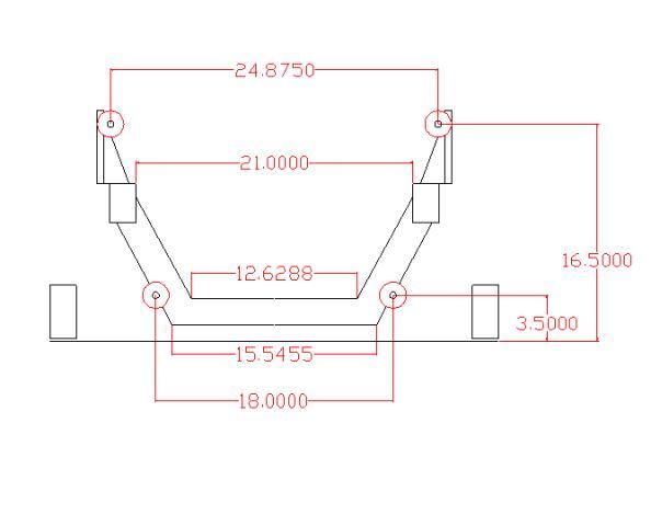
Well I made a couple more drawings. This time one from above and one from in front.

First the one from above. Keep in mind that this view is from the front cab mount forward. I have narrowed the frame rails 1" per side and I have moved the arm mounts in 1.5" per side and also moved the lower mounts up 2" and the upper mount up 6"

thread post photo


For the lower arms I have added 9" tubes welded into the frame. This is the same way I used to make Mazda tube arms.

On the uppers I will be running S-10 factory arm cross shafts because they are wider so I can clear a shock.

The main rails will be 34" wide and narrow to 27" wide at the front. this pic shows the straight pieces going 7" past the upper arms. On the factory frame that's as far as you can go before having to point down where the steering box goes. If I use a factory box I will have to adapt the left hand drive box to the right hand side. If I use a rack I will have to mount it off the main crossmember under the engine.

This front view shows the main rails off to the sides at the bottom and the rails up high where the arms mount along with the engine crossmember. The control arm bushings are shown in red.

thread post photo


The shape of the engine crossmember could change slightly depending on how much room I have for a large bag. More to come.
mymmeryloss's avatar
mymmeryloss
+1y
Looks like it should work. Plenty of engine clearance?
vsawmike's avatar
vsawmike
+1y
It appears to be. The Mazda engine is so narrow. I won't know 100% for sure until I get a Sportage. I will go look at more at the wrecking yard before I cut steel.

I am about a week from having the funds to buy the whole Sportage. I am doing it from a separate fund I set up from some things I sell on my Etsy page.

I've been looking at them locally and I can get a whole running Sportage for less than 2k so we are close time wise. If I get a look at some and there is plenty of clearance I will start the frame.

By the way I am leaning towards using the factory box and just making the drag link and the tie rods.
vsawmike's avatar
vsawmike
+1y
Ok, I went to the pick n pull today for a few things. One I still need part of a right side fender. I also went to look at Sportages. Wow the motor is narrow. The width is less that 16" mount to mount.

I will be able to narrow the main rails 2" per side. This will allow me to move the arms in 2" per side and still have plenty of room to turn.

I guess I will have to run a narrow wheel though. But at least that's one big question answered and now I can start fabbing the frame. I plan to start with the rails between the control arms and the engine crossmember.

Updates with pics as soon as I have something.
robzilla's avatar
robzilla
+1y
Looking forward to seeing some pics!!!!
vsawmike's avatar
vsawmike
+1y
Ok, after looking at the Sportages today I realized I can narrow the frame 2" per side and move the arm mounts in the same amount. Now I made a couple new drawings to show this.

thread post photo


And the next one is the front view with the new dimensions..

thread post photo


Now I can leave the arms the stock length and that narrows the track width quite a bit. Probably more than I need to tuck and turn some large wheels. So I may lengthen the arms by a half inch to an inch to help with camber change. I for sure need at least 1" narrower track per side. An inch and a half would probably be better. I will measure both of my stock Mazdas and see what it needs to be.

I can now for sure start cutting and welding steel. I already have some 2" square, some 2x3 and some 2x4 so I can start as early as tomorrow. By Tuesday or Wednesday I will have the funds for the Sportage donor vehicle. Then it's time to really get down to business.
mymmeryloss's avatar
mymmeryloss
+1y
Hell yeah!
R
robert_paulsen
+1y
hey mike loved the old school pink splash on the white mazda, i think i seen somewhere you made adapter plates for yota upper balljoints on mazda arms i could be wrong if you do let me know how much were looking at.
vsawmike's avatar
vsawmike
+1y
I never made any of those but I can draw you some in cad and you can have them cut out.

Related Discussions in Mazda Projects