Street Source is shutting down April 30th, 2026. Read the announcement

89 b2600 30a fuse wiring question

3436 views
13 replies
4 following
T
89 b2600 30a fuse wiring question
B
b26guy
+1y
I'll post some pictures of what I'm talking about and maybe we can get this figured out together
S
scotch
+1y
Hi Jerry,

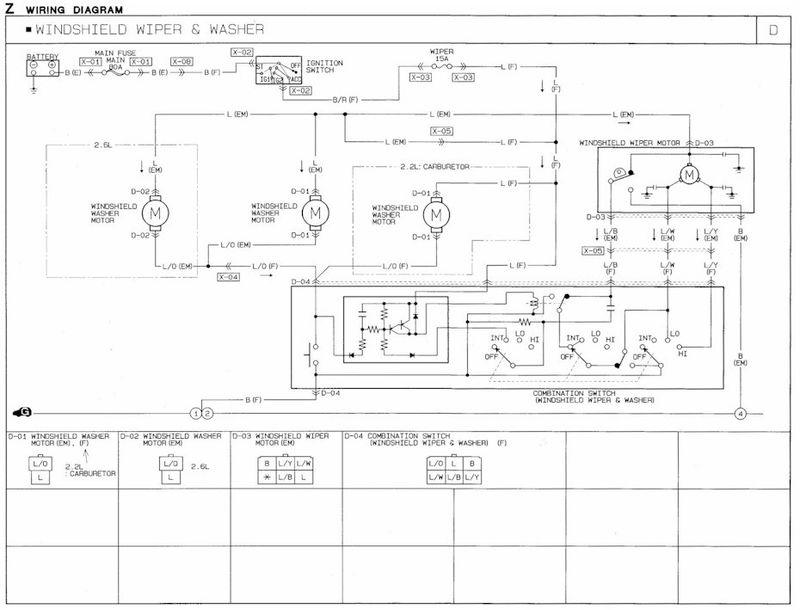
It's Scott. Sorry to be out of touch. What year is the new truck? Below is a wiring diagram for the 91. It should be the same as an 89 or any of the B2600i trucks.

When you said you replaced the switch, did you replace the entire column switch assembly or just the wiper switch portion. Also, does it have intermittent wipers, or just the two speed (slow / fast)?

If it has intermittent, there are some electronics in the switch that could be faulty as well.

Was it draining the battery before you replaced the switch? Or only afterwards? Do the headlights (high beam/lowbeam work OK? How about the turn signals and hazard lights?

The reason I ask is because the headlights (high beam) and hazard lights have un-switched battery power passing through the switch. So if you have some kind of mild short in there somewhere, one of those switches on the larger combination switch could be causing the problem.

If you think that one of those switches on the column is at fault, then I would unplug all of them. Take note of the battery voltage, and then plug each one in, one at a time, and watch for any dip in the battery voltage. If each switch is "OFF," then you shouldn't have any draw on the battery.

Also, you might want to check out this thread for cleaning the switches:

Combination Switch Exposed - " target="_blank"

The wiper switch is much like the headlight switches. Here is a link with detailed pics and operation of the wiper switch

(you can scroll down to post #15.)

" target="_blank" target="_blank" target="_blank" target="_blank


If the image is too small to read, you can view it full size here:
" target="_blank" target="_blank
thread post photo
B
b26guy
+1y
Hi scout
its tim.. but yeah I have an entire 91 parts truck but the truck im working on is an 89.
i just took the intermittent switch outta the 91 and replaced the switch in the 89 and plugged everything back in and checked all the fuses but in my hast i didn't see what the jumped fuse coming off that red and black wire went to. ill take pictures this afternoon after work
B
b26guy
+1y
oh yeah the lights work just fine and no the battery wasn't being drained before i took that fuse off

Related Discussions in Mazda 2.6L