Street Source is shutting down April 30th, 2026. Read the announcement

DadandSonEyes 1989 MAZDA B2600i 4X4 Cab Plus continues HELP

54505 views
149 replies
10 following
S
DadandSonEyes 1989 MAZDA B2600i 4X4 Cab Plus continues HELP
mazda-man's avatar
mazda-man
+1y
Did you ever figure anything out with your head? My pistons stick up above the block surface also but after the gasket was installed there is no problems.
D
dadandsoneyes
+1y
Everything bolted on clean and fine. Have some struggles now though:
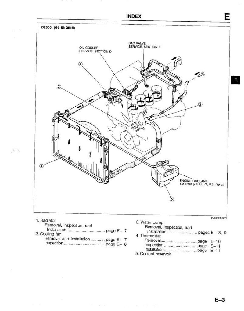
1) Cant find a nice clean diagram on how all those water hoses/tubes/and metal tube brackets mount and exactly where and how they connect on the back and sides of Engine
HELP

2) Not sure if we have the tubes connected on the proper places on the passenger side of Engine that connect to WHERE THE OIL FILTER screws into(that weird looking thing with fins on it that the OIL FILTER Screws onto)
HELP

3) CAN'T find exactly where all my VACUM TUBES go on the intake, which one goes onto which little spout. HELP

4) DOES ANYONE KNOW HOW TO GET THAT DAMN OIL DIP STICK TUBE TO SOME HOW LOCK INTO THE DAMN BLOCK!!!! ?????? UGH. Is there a special TOOL? HELP
D
dadandsoneyes
+1y
On Page 7 I have a few questions, .....if Axel Breaker Earl could respond, I'm sure you know how to fix. Thanks. ! ))))

Almost done, we got engine in , transmission aligned ( we believe ), most of transmission bolts are in, but two on bottom bump into that thin plate between block and transmission, all others went in smoothly with no issues. Maybe use a punch or something of same size as bolt to widen out the hole a bit? Not sure, still an issue.

Hooked up all vacum lines and electrical and water hoses( I'm really confused about the water hoses on the back side of engine, I hope we did it right, NEED A GOOD DIAGRAM or photo if anyone has one.

We also can't get the damn oil dipstick tube to stay in the block, is there some tool to get that thing RAM'd into the iron block so it will stay in ? I'm afraid to drive it in by that little rim on it with a screw driver and hammer, afraid it will just damage it and break! HELP.

thanks - DadAndSonEyes

Raleigh, NC
D
dadandsoneyes
+1y
HELP, Anyone ?
mazda-man's avatar
mazda-man
+1y
1).I am at work and do not have the manual here for the vacuum hose diagram but I can get that for you when I get home tonight.
2). I know that the oil cooler has two 7/8" lines on it. The front most hose goes up to the thermostat housing. The other goes up to the heater core via a metal hose inbetween.
3). The oil dip stick tube just gets tapped into the block with a hammer. You want to put a little rtv silicone around the opening before installation. Do not pound directly on the metal tube. Use a piece or plastic or something to keep from "mushrooming" the end. Be careful if you chhose to use a piece of wood. The shavings from the wood may fall down the tube into the oil pan.....not good.
axel breaker earl's avatar
axel breaker earl
+1y
Sorry man! I'm re-shingling my huge roof on my house every spare moment I have.......I haven't checked in here for a couple of days!

The dipstick.......if I recall, the factory manual say's to seal that with some kind of hardening sealer I think......I'll see if I can find the page and post it.

I'll post some pics of the water lines as well.
Here is my truck right after buying it, so I was getting ready to pull the engine and clean it all up.

thread post photo


Behind the head......

thread post photo


thread post photo


Small coolant hose coming up through the intake between #3 & #4 intake runners and going to the throttle body.......the throttle body has 2 small coolant hoses hooked to it, one in and one out........I will post pics for those also.

thread post photo


thread post photo


Driver's side coolant pipe.

thread post photo


thread post photo


Mine is an auto trans truck, so the vacuum hoses on the rear of the intake might have an extra one that a manual trans doesn't have, possibly.

thread post photo


thread post photo
axel breaker earl's avatar
axel breaker earl
+1y
These next series of pics are from a B2600i that I grabbed the head and intake and other parts off of a while back.

thread post photo


thread post photo


thread post photo


thread post photo


thread post photo


thread post photo


thread post photo


thread post photo


thread post photo


Here's a pic of my passenger side of the engine compartment......

thread post photo


If I find any more I'll post them here.

Also, if you need a certain picture of something, just let me know and I'll take a pic and post it here........hopefully, these will help you some. I'll keep checking here tomorrow on and off.
axel breaker earl's avatar
axel breaker earl
+1y
It looks like you just use "Sealant" on the dipstick tube area where it goes into the block........I know that the metal ring DOES NOT fit down tight onto the block......there is about and 1/16" to an 1/8" gap between the metal ring and the block on both of my trucks, and I never removed the dipstick tubes on either of them.

Here are some pages from the FSM on these coolant lines.....

thread post photo


thread post photo


thread post photo


In this next sheet you can see in the detail that the ring is not tight against the block also........

thread post photo


And a pic of the engine I'm getting ready to drop into my buddies truck.....

thread post photo


thread post photo


thread post photo
D
dadandsoneyes
+1y
AWESOME!!!!!! I believe we have it all correct!! These pictures help tremendously. Once we get the ENGINE STARTED(My current challenge), we will then begin verifying everything works properly(electrical, a/c, heat, etc ). THANK YOU FOR YOUR TIME AND HELP !!!!

Our Current NEW ISSUES NOW,
1) Engine WON'T START, checked timing, distributor, spark, seems to be all aligned and the "intake stroke", when it blows "air" out the number one piston, I'm at TDC on CRANK and the ROTOR BUTTON POINTS UP on the rotor caps #1 Spark Plug Wire, so she should "fire" and start up, ..that just "ain't happening", yet....
1a) - Possible Starter seems a bit weaker, not sure since the rebuild if it can handle the tighter BRAND NEW like - Engine now. and starter getting a little "hot" while attempting to start. Some even a tiny bit of "smoke" with "BURNT WIRE " Smell. If you engage starter and hold it for about 5 to 8 seconds, cranks and cranks , engine turns over, almost starts... then quickly slows down and I let off starter/ignition.
*** ideas ? ? ***
((((( we installed a brand new battery of 800+ Cold Cranking Amps- ITs got lots of juice)))

help.... thanks
D
dadandsoneyes
+1y
2ND ISSUE we are working on

2) CLUTCH -- Clutch can be pulled to top (clutch pedal). When you press on Clutch, it moves a inch or two, then the spring drops the pedal almost to floor, just before the pedal ignition safety switch is engaged. It stops. You can press on the clutch pedal from there and it may move like barely 1/8 inch with a HERCULEES AMOUNT OF FORCE. WON'T BUDGE. Then if you want clutch pedal to come back up, you have to reach down and give it a little tug, comes back to top( via the springs not the hydraulics).
Note: Clutch DOT3 FLUID LOOKS LIKE BLACK OIL with black nasty looking particles in the resevoir. Don't see any fluid leaking around the slave or master cylinder. Never "opened" or "bled" this system before we bought truck, during or after complete engine rebuild and installed NEW F1 G-Force Clutch, slip disc, pressure place and had Fly Wheel turned. Installed brand new throw out bearing, new little bearing also that goes in middle of fly wheel, etc. so all that is NEW.
***** HELP, IDEAS AXEL BREAKER EARL ? ? ? ? ******
Thanks for all and ANY Help--
DadAndSonEyes-

Related Discussions in Southeast