Street Source is shutting down April 30th, 2026. Read the announcement

Electrical issues

642 views
8 replies
4 following
jasoncampbell1180@gmail.com's avatar
Electrical issues
jcampbell1180's avatar
jcampbell1180
+1y
Okay, so my Dad’s truck (’86 C30, 454/400) ran into a little electrical issue this weekend. It has a full charge on the batteries, but other than that, the whole truck is dead. No power at the fuse panel whatsoever.

Any ideas? It has twin batteries, so maybe the isolator went bad? Fusible link burnt out somewhere? I don’t know, just grasping at straws.

One odd little note: the terminal on the firewall is now grounded. In other words, when you hook the test light to the neg terminal on the battery and touch it to that junction/isolator-nothing. Hook the light to the positive terminal and touch it to the junction and it lights up.

We're stumped. Anybody experiance something similar?
raymondsage's avatar
raymondsage
+1y
follow the thin wire that is hooked up to the battery. i wanna say it goes straight to the starter then to the junction box and see if its got a break. if not then run a 10g cable from the battery straight to the thick red wire at the steering column and see what it does.
S
skidrow
+1y
campy you have a bad fusable link

it comes off the starter and in to the wiring harnesgive me and email i send you a wiring dig
S
skidrow
+1y
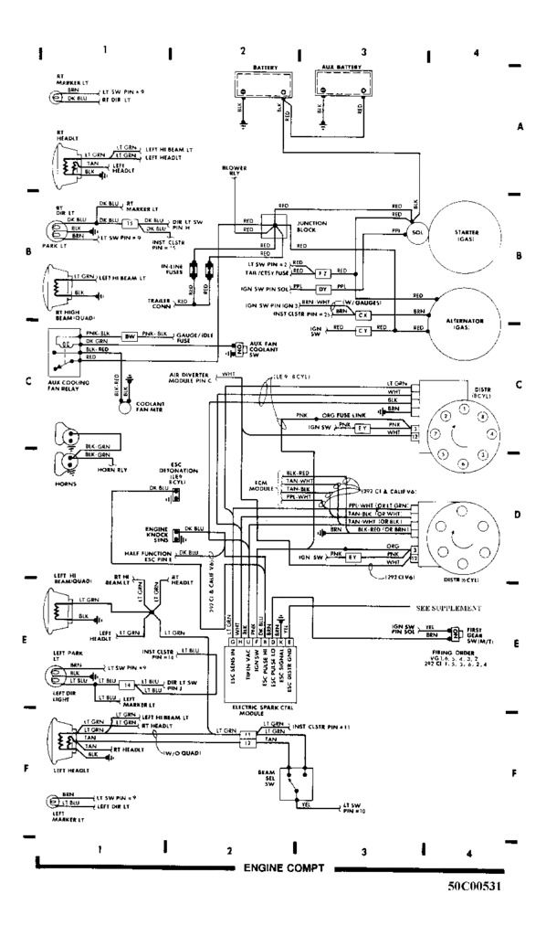
her ya go campy



thread post photo
S
skidrow
+1y
the red wire that gos from the starter to the juntion box thats your calprit
H
huskerdually
+1y


Yep it probably melted and is touching a ground. Happened to my burb.
jcampbell1180's avatar
jcampbell1180
+1y
That was it! The link wasn't bad, but the conncetion was real loose.

I sent my Dad the link to this thread. He said he loves you all and wanted me to say "thank you" for him.
H
huskerdually
+1y


I think that is illegal in most states. Except Alabama.
S
skidrow
+1y
cool ay guys if you need info on stuff let me know im a mecanic 20 years expereance in transmissions i have acsess to mitchal and alldata and mitchell vintage witch kicks ass for me

Related Discussions in General Discussion