Street Source is shutting down April 30th, 2026. Read the announcement

rear brakes

752 views
3 replies
4 following
L
rear brakes
L
lugtucker07
+1y
i read somewhere you can take off the returning line...but when i looked some one has already took off the lever brake thing ...and put a plane t there is this bad or good....but what do i have to do to get rid of one of the lines to clean up the brake lines
vegasyota94's avatar
vegasyota94
+1y
ive heard so many different things... ppl say just T it off, others say get something from an older model... me, i just used the stock, and re-bolted it to the damn axel.. its out of my way and brakes work fine..
O
ocb_dave_ocb
+1y
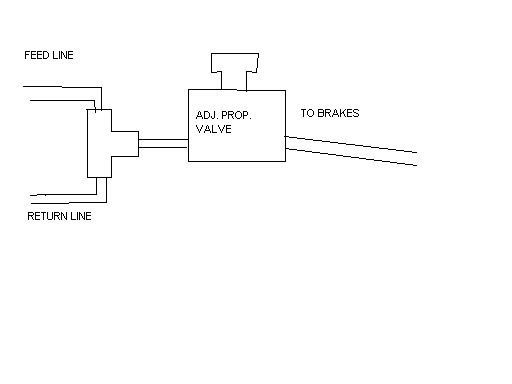
I used an adjustable prop valve on my old toy... It worked fine.. Here is the schematic I drew up and a few pics..

thread post photo


thread post photo


thread post photo


thread post photo


thread post photo
kdcgrohl's avatar
kdcgrohl
+1y
heres mine. all three methods work fine. personal preference. if you do disc swap in the back, i'd use a proportioning valve. if you're keeping the stock rear brakes, you dont really need it.