Street Source is shutting down April 30th, 2026. Read the announcement

future upgrades... or in my case... wish list

10370 views
64 replies
10 following
J
future upgrades... or in my case... wish list
J
jiffyzx6
+1y
my 92 b2200 is the base model standard cab... no ac, power steering, power windows, radio... its all fine and dandy now but i plan to drive this truck for a long time... and if any of you have been to phoenix in the summer time......... well you get where im going with this.

.... can i add power steering, ac,radio ext easily. the radio i dont think will be diffiult its just running the wires that will take some time i think but ac and power steering sound more indepth.

also i plan to convert my crappy bench seat to buckets.. advice?

if these topics have been covered allready here can you point me in the direction i need to head in, been looking but havent seen much yet,

thanks everyone. been a good experience on this form so far. thanks for all the help,




also... what other modifications can i do? (yes i know anythings possible with a welder and BFH lol) i.e. front end conversions, different stock rim swaps that look good. stuff like that. just curious what i can do with this truck to make it unique and personalized a bit more.
dragginmazda86 (dave)'s avatar
dragginmazda86 (dave)
+1y
Ive done all those upgrades on many of the mazdas Ive owned. PS- easy upgrade if you can find a donor truck in the junkyard. AC- also fairly easy upgrade if you find a donor truck, you dont have to remove the dash to install AC. Buckets- easy if you get buckets out of another 86-93 mazda truck. The threaded holes are already on the floor.
J
jiffyzx6
+1y
sweet. are those upgrades....... in theory just "plug and play" for lack of better words or is there any modifications that need to be made? found a donor truck at the scrap yard that might work. will parts from a b2000 and b2600 work to?

and i dont think ill be running mazda seats, found some from a late 80's nissan i think? that were in good shape and looked to be what im looking for. a little modification is ok, just knowing all the threaded holes are already there is nice to hear.
J
jiffyzx6
+1y
and how difficult is it to remove the dash? mines not in the best of shape so i figured id remove it and do a little customizing then make it purdy again... do some other things while im there.
fdugn545's avatar
fdugn545
+1y
Buckets out of dodge neons fit with a lil adjustment from what I hear same with Honda civic seats

As for rims Escalade rims are nice and most gm trucka/suvs with six lug rims Wil fit but you'll have to grind the tabs on the hubs or bore the Center of the rims. Nissan titan rims fit with no modification.
J
jiffyzx6
+1y
thread post photo
i want these rims... didnt know how they would look but seeing them on the truck they look pretty cool to me.

ive seen alot of mazdas with caddy rims... dont really like the look of them
fdugn545's avatar
fdugn545
+1y
Don't knock the eskies!!!!!! JK to each their own isuppose
fdugn545's avatar
fdugn545
+1y


86-93 b2000/b2200 will work B2600 won't because it's not the same block its actually a Mitsubishi motor g6 I beleive

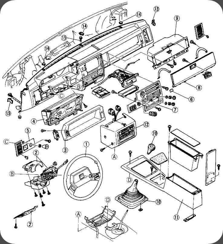
As for dash Removal here's this:
thread post photo


thread post photo
J
jiffyzx6
+1y
dude your awesome that's perfect! Just saved me a ton of time and cussing lol

now I was reading about swapping my Guage cluster with the one that has the tac in it. Do I get that from the 2600? If I read correctly my truck already has the wires hooked up for the tac, all I need to do is move the speedo cable and hook it up. and is there a way to correct the mileage?
fdugn545's avatar
fdugn545
+1y
Yes the wires are already there u would have to add one for the clock if you wanted to(I didnt) and no problem if you get a chance check out my truck:

Related Discussions in Mazda Projects