Street Source is shutting down April 30th, 2026. Read the announcement

Swaps done but fuel pump wont kick on

11748 views
15 replies
6 following
T
Swaps done but fuel pump wont kick on
T
that.minitrucker
+1y
I finally got my swap done and I'm getting spark but my fuel pump isnt kicking on. I hard wired the pump and it works but when I check the plug on passenger side of cab it's not getting power. I'm lost and pulling my hair out!!! Anyone have any ideas I may have over looked?
S
scotch
+1y
You might mention what you're swapping...what engine in to what truck as not everyone will have read and/or remember your other posts. So I'm guessing you put the 90 2.6 into the 89 truck.

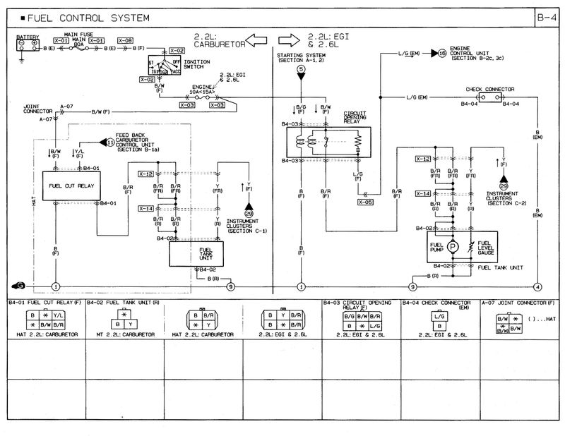
Well, your power for the fuel pump goes from the ignition switch, to the "Engine" fuse (15 amp), then to the Fuel Pump Relay (aka circuit opening relay), and then on to the fuel pump.

1 Check the "Engine" fuse (the one in the cab)


thread post photo



2 If fuse is good, make sure you are getting 12 volts to it. If not, then you might have a problem with the ignition switch.


3 If fuse is good and you have 12 volts on both sides of the fuse, then you probably have a bad fuel pump relay, located in the driver side kick panel. There are some test you can do on the relay if needed.

thread post photo


You mentioned that the plug on the passenger side of the engine bay doesn't have power. If you're talking about the yellow two terminal test connecter, that is for manually powering the fuel pump. So with the ignition in the "ON" position, you should have some voltage on the blue/green stripe wire of that terminal. If you don't, then that would indicate that you don't' have power getting to or through the relay (which would be one of the following items mentioned above.) When you jumper the two connecters of that plug, it should power the fuel pump on.

Also, since you have had the fuel system opened up, you might have some air in the system that will need to be purged before it's going to run. If jumping the yellow connecter does power the fuel pump, you might jumper it and let it run for a couple of minutes (remember the ignition switch needs to be "ON." Even then, it might require a little cranking to purge any air in the injectors.

Here is the wiring diagram for the fuel system:
(if you right click on the diagram and select "Open in New Window" you'll get a much higher resolution version)

thread post photo
Cusser's avatar
Cusser
+1y
Nice post, Scotch.
sincitylocal's avatar
sincitylocal
+1y
Keep in mind, there is a 30 amp injection fuse under the hood.
If that fuse is bad, the ECU may not send a signal to the circuit opening relay.
S
scotch
+1y
By the way, what did you do to confirm that the pump is not coming on? In case you're not familiar, here is how it works.

When you turn the key to "ON," the fuel pump will be turned on by the ECM (through the relay). If the ECM doesn't detect a minimum engine RPM (I think it's 50 rpm), it will turn it off in about 2 seconds or so. Same thing happens if you stall the engine. If the ECM doesn't detect a minimum RPM, then it will turn it off.

While you are starting (key in "Start" position,) the pump relay is energized by the starting circuit (regardless of RPM) to also power the pump so you have fuel pressure while cranking.

So, if by chance you were expecting to hear the fuel pump run while the key is "ON," it would only run for 2 seconds or so and it's unlikely you would hear it run from the driver's seat; you'd probably only hear the relay cycling. An easy way to test it is to turn the ignition to "ON," jumper the yellow connecter, and then feel the filter, fuel rail, or pressure regulator for any vibration of fuel flowing. It will be subtle but you should be able to feel it. Better yet is to go back to the fuel filler door, remove the gas cap, and listen for the fuel pump through the filler neck.

Perhaps you have accurately confirmed that it's not running. But a lot of times people don't understand when and why it runs. So I thought I'd go ahead and post it here for the benefit of others that might stumble on to this thread in the future.

Also, are you running the intake & and more importantly the injectors from the 90 engine? Or did you put the 89 intake and injectors on the 90 engine? I ask for two reasons. First, if you're running them from the junkyard engine, do you know if and when that engine was running last? If that engine has been sitting a long time, the injectors could be gummed up with varnish from the fuel. I have talked to people that have had that happen before. I've also heard from people that said the engine was sitting for years and the injectors worked just fine.

The other reason I ask is because the 89 uses a different part number injector from the later models. I'm not sure on your 90 engine. I think there was a mid year change on the 90 so it could go either way. By the way, the diagram above is for a 91 but I'm pretty sure there are no significant differences on the fuel pump wiring. Anyhow, here are just a few differences that I'm aware of on your 89 engine:

The 89 uses different injector p/n than later models (I'm not saying they're not compatible, just that they have different p/n's.)

89 models fires the 1&2 injectors and the 3&4 injectors together. Later models fire 1&3 and 2&4 together.

The 89 injector harness does have at least 1 different color wire / location on it than the later models.

I'm not sure where your 90 falls in this equation since it had mid year changes. But, if you did install the 90 engine, I'd make sure that you kept using the 89 components (TB, distributor, injectors AND the 89 fuel injector harness (the short one on the intake manifold.)
T
that.minitrucker
+1y
Thanks guys I found the problem the previouse owner had a alarm installed and it had a kill switch for the fuel pump. Thanks for the posts guys.
crazycracker's avatar
crazycracker
+1y


I have this same diagram in my manual, but B/R (R) doesn't really describe what color the wire is! Can anybody tell me what these wires go to; this is the wires connecting to fuel tank:

Red / black rings
Red / black rings (thinner diameter than the other one)
Green / white stripe
Green / red rings
Black / red rings
Yellow
White / green rings
S
scotch
+1y
What year and model is the truck? EFI or CARB?

Neither of the two red wires have stripes? None of the others besides the Green/White strips?

Where is this connecter/harness? At the pump? At corner of the cab?
crazycracker's avatar
crazycracker
+1y


87 B2600 with carb, but I'm thinking they use the same wiring harness for multiple years. This is what I see removing the wiring tape along the frame rail about 12 inches from where it connects to the top of the tank. No they didn't have stripes, except for the one wire. The others had color rings, and the yellow appeared to be solid (although possibly striped with the stripe color on the side of the wire I couldn't see).
S
scotch
+1y
Yours is going to be a little different animal since it's the Mitsubishi engine.

Red Black should go to the pump
Black is ground
Yellow is the fuel gauge sender
Red/White should be back up lights
Green/Red should be left turn signal
Green/White should be right turn signal
White/Green should be Reverse lights
Another Red/Black should go to the tail lights / parking lights.
(you can try turning the parking lights on and checking with a voltmeter to figure out which red/black is parking lights and which is fuel pump.)

My wiring diagram doesn't distinguish between stripes and rings. They have generally only indicated stripes - I've never had to look too close to the rings to sort anything out.

Hope this helps.
Post was last edited on Oct 08, 2014 07:19. Edited 1 time.

Related Discussions in Mazda 2.6L