Street Source is shutting down April 30th, 2026. Read the announcement

b2600i dash light fuse blowing

5461 views
3 replies
4 following
F
b2600i dash light fuse blowing
F
forestrider
+1y
1990 B2600i Fuse blowing for the dash and rear tail lights. I replaced the fuse and while driving it tonight it blew. It didn't blow at first, but after driving it awhile. Any ideas on how to trace the cause and why it doesn't blow at first?

Thanks
E
emjay
+1y
seems like after a while, a wire with a broken housing is shorting to ground causing the short. Did you install an aftermarket stereo? Also check the wires around the tail lights and the front corner lights.
9
91_2600i
+1y
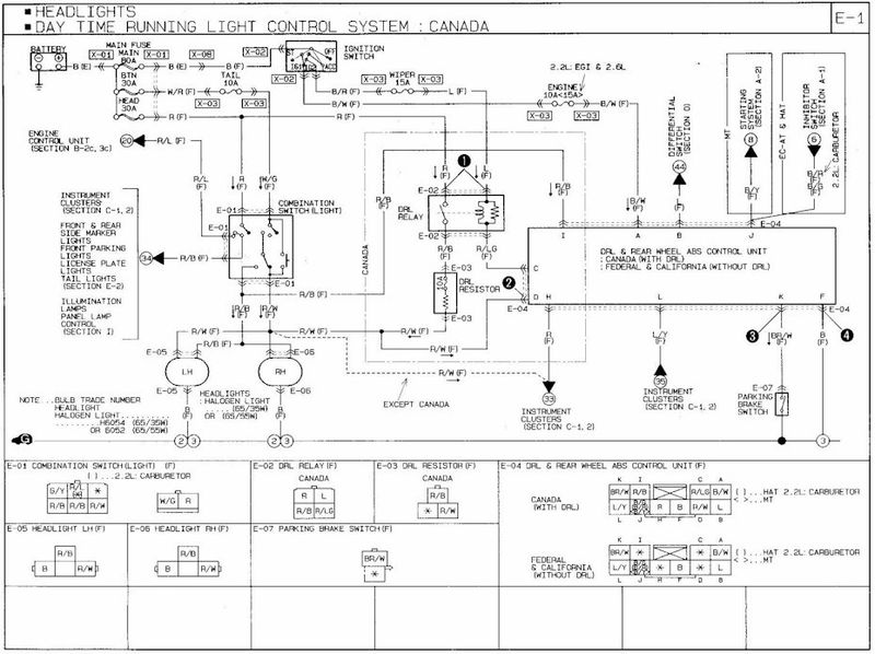
So you're blowing the "Tail" fuse? If it doesn't blow right away, it's going to be a pain isolate it. You might try unplugging the dimmer switch and driving around with the lights on tomorrow. If blows again, then you can start focusing on the external lights. If not, then it may be in the dash lights.

Here is a diagram for a 91 that shows all the lights that are fed by that fuse - see them all the way on the left, fed by the combination switch. Those will be your suspects.

thread post photo
B
berryserious
+1y
Check for shorts in the connectors

Related Discussions in Mazda 2.6L