Street Source is shutting down April 30th, 2026. Read the announcement

A/C help; 1987 b2200

2234 views
15 replies
5 following
T
A/C help; 1987 b2200
N
norcallumps
+1y
Alright finally got around to fixing the a/c in my mazda. Two years ago I installed a new/old compressor since the one in my truck was frozen. I switched all o-rings to green and installed new drier but didn't change the low pressure switch. That's all I did since now shops around here would evaq. The system. Fast forward and I got gouges and Eva q's down using tools from harbor freight. I was unable to get the clutch to lock unless I ground the blue/white wire coming from the a/c switch. I know I have a bad blower resister. Once grounded, clutch engages and I got cold air. Take off the ground it stops. I have checked the low pressure switch and no changes. Only way clutch engages is when I ground blue/white. Sorry for being so long
M
mazdatweaker_2
+1y


You have a bad blower and that took out the resistor. The brushes are bad and I don't think your other issue is going to take care of itself until you take care of this one.
N
norcallumps
+1y
Sweet. Thanks!
Cusser's avatar
Cusser
+1y
If your blower fan is inoperative, you'll quickly burn out a new blower resistor. So make sure that the fan is OK (only two wires, easy to check out).

See
N
norcallumps
+1y
Blower fan works on 3 & 4 only. Wasn't sure if they tied into my problem or not
Cusser's avatar
Cusser
+1y


Then your blower fan is OK, it works, don't mess with that.

You need a new blower resistor, common issue. You'll need to pull out the glove box, the blower resistor is attached to the case with 2 Philips head screws that point down, likely you'll need a stubby.
N
norcallumps
+1y
Got a couple from pick n pull... but none worked. Just going to order a new one and be done with it. At least it will have a warranty. ..lol.
S
scotch
+1y
Definitely sounds like your resistor is bad. However, you might have additional problems.

Were you able to get the compressor to engage at fan speed 1 (even though the fan wasn't coming on)? You probably didn't try it there since you already knew the fan wasn't working on 1 or 2. But if you did try it, and the compressor engaged at fan speed 1, then your resistor is your only problem.

If the compressor didn't (or doesn't) come on at fan speed 1, then you have either a bad AC pushbutton switch, or a bad fan speed switch. The compressor should come on at fan speed 1 even if the resistor is trashed.... or even missing for that matter. Just a little heads up in case you still have some issues after installing the resistor. Somebody on this site or the MT site just had that issue.... a bad resistor and a bad fan speed switch.

It is mostly likely just a bad resistor. But I would check that out to make sure before pulling the trigger on a new resistor since the autoparts store will probably not allow you to return it. Also, since the other two resistors didn't work either, that would be more incentive to double-check as I described above.
N
norcallumps
+1y
Thanks bro. I will definitely check that out
S
scotch
+1y
You're welcome.

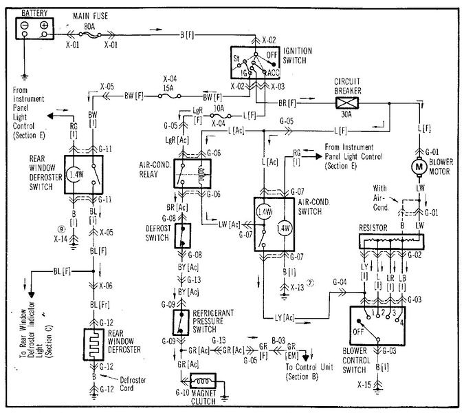
When you look at the wiring diagram, you can see that Blue/White Stripe wire you were grounding should normally pass through the pushbutton switch, out the Blue/Yellow stripe wire, and then to the fan speed switch where it can ground directly through the switch at speed 1. For the higher speeds, it has to pass through the resistor before grounding through position 2, 3, or 4. So hopefully when you test it tomorrow, the compressor will kick on at speed 1 (probably speed 2 also) and a resistor is all you need.

Let us know what you find.


thread post photo