Street Source is shutting down April 30th, 2026. Read the announcement

diode trick

229 views
5 replies
4 following
L
diode trick
L
lo4lyf
+1y
can someone tell me how to do the diode trick to the wiring to my valves and where to get them and which ones to get?
WDMASTR's avatar
WDMASTR
+1y
are you talking about using diodes to use 3 prong switches with four individual corners? i know how to do that if that's what you are referring to
baggedK's avatar
baggedK
+1y
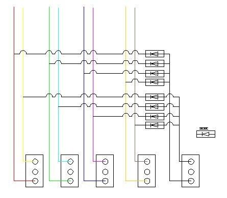
Is this what you're talking about?



Which is accomplished by using 12v 3A diodes...
post photo
L
lo4lyf
+1y
im talking about using them to stop the pop in my stereos speakers everytime i hit a switch for my air. i know its ground but i have moved and changed the ground points, the wiring, ran back to the battery, ran them all separate and nothing works. some one on here told me that i can use diodes in my wiring of my valves somewhere to stop the noise, but i need to know how to do it, which ones to use and where to get them.
mobileheath's avatar
mobileheath
+1y
make sure you have a good ground between your battery and the chasis of your truck...most of the time that is what causes noise in the electrical system
L
lo4lyf
+1y
ground from battery has been upgraded with bigger wire when the wire from the alternator to the battery was done, also added a ground wire from the battery to the same ground when amps got added and a wire when the compressor got added. so if i have a power wire running from my battery i have a ground wire to match it.

Related Discussions in Mini Truckin General